CHI TIẾT SẢN PHẨM
- Phutaigas cung cấp các loại van lỏng chịu lạnh, cụ thể với các loại van cầu chịu lạnh, có thể dùng cho những loại khí hóa lỏng có nhiệt độ lạnh sâu như khí Oxy, Nito, Argon, CO2 lỏng và khí LNG.
- Thân van và các chi tiết của kết cấu thân van, trục đóng mở được nhà sản xuất sử dụng chất liệu hợp kim đồng cường độ cao HPb59-1, chịu được áp suất cao, độ bền bỉ cao.
- Công nghệ chế tạo trên dây truyền CNC hiện đại nên sản phẩm có độ chính xác cao
- Đỉnh van được chế tạo theo kiểu mặt bích và siết bulong cường độ cao hoặc đai đồng hoặc đai Inox, bên cạnh đó bộ gioăng kín của van được sử dụng vật liệu PCTFE chịu nhiệt độ -196 độ C. Chi tiết này có thể được thay thế sửa chữa trong quá trình sử dụng hoặc xung có thể được thay thế bằng cả cụm trên đỉnh nắp trên của van.
- Kết nối liên kết của các loại van này chủ yếu là kết nối hàn ống tiêu chuẩn trực tiếp lên cửa ra và cửa vào của van
TÍNH NĂNG ĐẶC BIỆT
- Van được sử dụng trên các bồn chứa khí hóa lỏng chịu lạnh như các loại bồn chứa khí Oxy / Nito/ Argon/CO2 lỏng và hoặc trên các đường ống dẫn khí hóa lỏng có nhiệt độ môi chất lạnh -196 độ C.
- Với chất lượng cao, sử dụng dễ dàng, dễ thao tác, đóng mở nhẹ nhàng độ bền cao.
- Có thể thay thế phụ tùng khi cần thiết hoặc khi bộ gioăng đóng mở bị hư hỏng hoặc bị rò rỉ.
- Bộ gioăng đóng kín là loại vật liệu Polychlorotrifluoroethylene (PCTFE) với đặc tính độ bền kéo cao và ít bị biến dạng do tác động của hóa chất và nhiệt độ.
- Thân van và các chi tiết của kết cấu thân van được nhà sản xuất sử dụng chất liệu chất liệu hợp kim đồng cường độ cao HPb59-1, Trục đóng mở của van HPb59-1 tiêu chuẩn được chế tạo bằng công nghệ CNC hiện đại, độ chính xác cao, do đó nó có độ bền cao.
THÔNG SỐ KỸ THUẬT
DJ-10BF-2 Cryogenic short stem valve
Chất liệu / Material
- Body Thân chính : HPb59-1
- Valve disc/Đĩa van : HPb59-1
- Valve cap : HPb59-1
- Valve stem : HPb59-1
- Handwheel : YL112
- Tube : SS 304
- Main sealing/ đóng mở : PCTFE
Áp suất, môi chất, nhiệt độ
- Working Pressure: (áp suất làm việc) : 4.0 Mpa
- Design temperature : (Nhiệt độ thiết kế) : -196 OC ~ +80 độ C
- Suitable medium : (Môi chất áp dụng) : LO2/LN2/LAr/LCO2/LNG
- Connection : (Kết nối): Socket weld hàn trực tiếp ống SS304
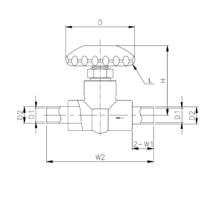
Kích thước (Theo bản vẽ kích thước cơ sở)
- Đường kính tay vặn : D=70mm
- Tổng chiều cao : H=70mm
- Chiều dài ống nối SS304 : W1=87mm
- Chiều dài thân van bao gồm cả ống SS304 : W2=238mm
- Đường kính ống nối SS304 : D2=17mm
- Size : 3/8 inch
.png)
THÔNG TIN LIÊN HỆ
CÔNG TY TNHH KỸ NGHỆ CÔNG NGHIỆP PHÚ TÀI
Số 272, Khu Quảng Luận, Phường Hưng Đạo, Thành Phố Hải Phòng
Website : phutaigas.vn / gas-vietnam.vn / phutaigaz.com
Hotline (24/7): 0973.309.488
Email: phutaivngas@gmail.com
Tư vấn bán hàng:
Xuân Đạt: 0987 350 488
Thanh Tùng: 0353.173.388
Thu Hằng: 0971.174.388